Products

- Service Hotline -+86-135-2866-9221

4dhcpmingchen
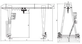
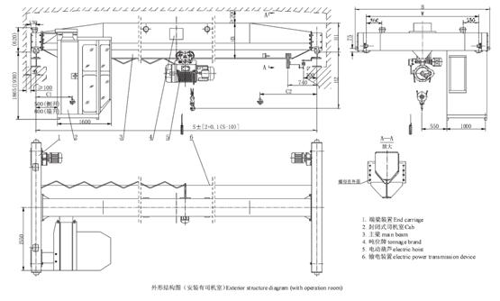
Dongguan Huarui gantry crane lifting machinery

Dongguan Huarui Crane Co.,Ltd. Copyright © 2022 All rights reserved Technical Support :Dongguan website constructionAdmin】【Baidu Statistics】【GmapBack to top